形式一覧
形式一覧
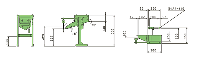
仕様
| 形式 発注品番 |
容量 (L) |
重量 (kg) |
バイブレータ | コントローラ | 電圧 (V) |
電流 (A) |
パーツフィーダ組み合わせ例 |
|---|---|---|---|---|---|---|---|
| HT25-①②③ ④⑤ |
5 | 12 | HV-5 | PC-MHN | 100/200 | 0.6/0.3 | PVH-23 |
| HT30-①②③ ④⑤ |
10 | 17 | HV-5 | PC-MHN | 100/200 | 0.6/0.3 | PVH-28 |
| HT40-①②③ ④⑤ |
20 | 23 | HV-10 | PC-MHN | 100/200 | 0.8/0.4 | PV-40 |
| HT50-①②③ ④⑤ |
30 | 31 | HV-15 | PC-MHN | 100/200 | 1.6/0.8 | PV-50 |
①入力電圧②入力周波数③材質④レベルスイッチ付使用の時⑤パーツフィーダ回転方向

